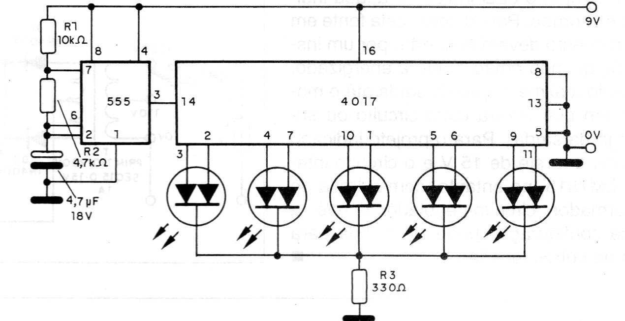
El circuito presentado fue encontrado en una documentación de 1995. Este circuito es alimentado por una tensión de 6 a 12 V. El circuito utiliza LEDs bicolores. La velocidad del efecto puede ser cambiada si cambiamos R2 por un trimpot de 100 k.
El circuito de shield presentado es del Linear Applications Handbook de National Semiconductor de 1994. El...
Este circuito fue originalmente diseñado para leer bandas sonoras de películas. El circuito es de 1967 y...
La base de este circuito es uno de los cuatro amplificadores Norton en un circuito integrado...