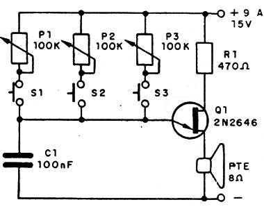
Los tonos obtenidos al presionar los interruptores dependen de los ajustes de P1, P2 y P3. La banda de ajustes depende también de C1 que puede tener valores entre 47 nF y 220 nF. La potencia es relativamente baja, pudiendo sustituirse el altoparlante por un resistor de 100 ohm y llevando la señal a la entrada de un amplificador.

Oscilador de 3 Tonos



