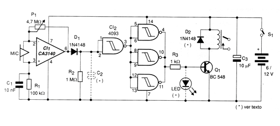
El circuito mostrado en la figura hace que un LED encienda o un relé cierre los contactos cuando el sonido es captado por el micrófono. Utilizando un relé, podemos usar el circuito como "vox" o sea, una llave que conecta un grabador u otro equipo en función del sonido ambiente. La sensibilidad del circuito es controlada por el potenciómetro de realimentación. El micrófono utilizado es del tipo dinámico de baja impedancia (100 a 600 ohms) y el relé debe tener tensión de bobina de acuerdo con la tensión de alimentación. El capacitor C3 sirve para evitar repiques del relé, filtrando pequeñas oscilaciones de sonido que no deben actuar sobre el circuito. Su valor puede quedar entre 10 nF y 1 uF. El micrófono debe instalarse cerca del circuito. Si se instala a más de 1 metros se debe utilizar un cable blindado para su conexión. Como, en la condición de espera, el consumo es muy bajo, se pueden utilizar pilas o baterías en la fuente de alimentación. Si se utiliza una fuente externa, su filtrado debe ser excelente para que los roncos de la red de energía no provoquen el accionamiento aleatorio del circuito.




