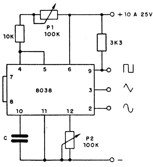
Este circuito produce señales rectangulares, triangulares y sinusoidales en la banda de frecuencia comprendida entre 0,1 Hz y 100 kHz. El capacitor C determina la banda de frecuencias que se regulará con P1. C puede tener valores de 150 pF a 15 µF según las frecuencias deseadas.

Generador de Funciónes 8038



