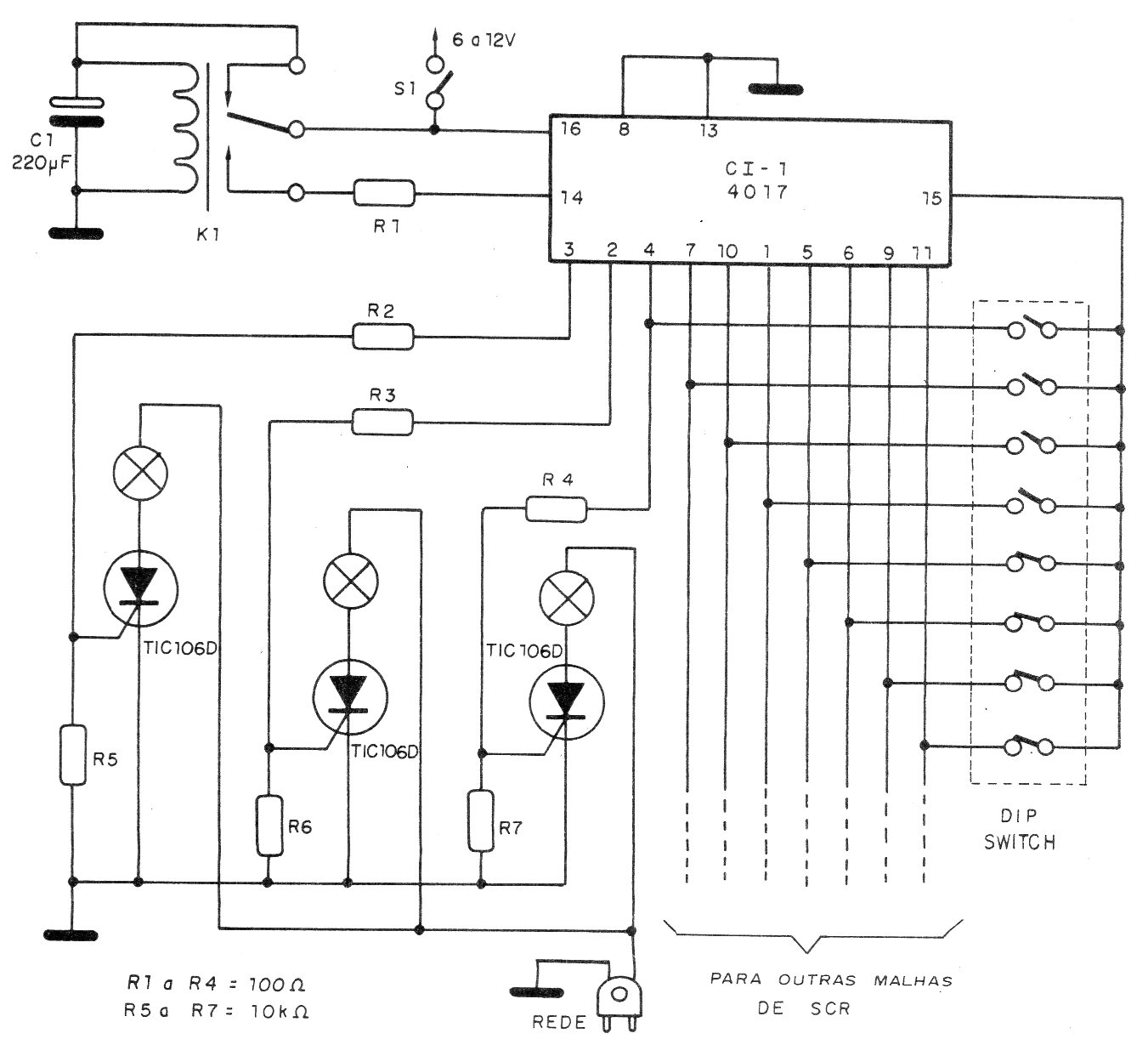
Este circuito, que utiliza el conocido 4017, fue encontrado en una documentación de 1993. Las lámparas deben ser incandescentes y los SCRs deben ser montados en disipadores de calor. El diferente de este circuito es que la frecuencia de flujo del efecto es dada por un relé intermitente donde C1 determina el ciclo de apertura y cierre de los contactos. Conforme al tipo de relé usado. Este capacitor debe cambiar.




