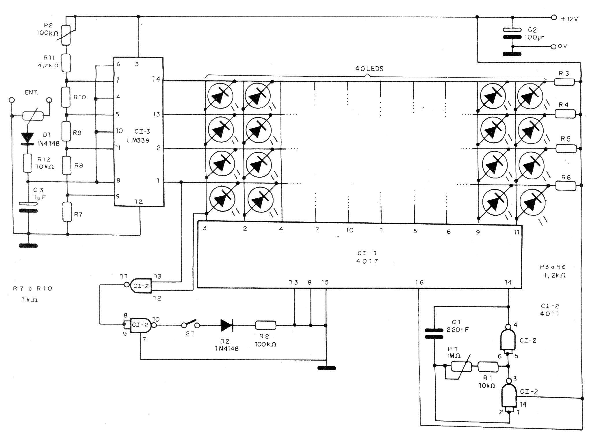
Encontramos este circuito en una documentación de 1993. Se basa en dos circuitos integrados que aún son comunes en nuestros días y tienen un funcionamiento matricial. Los circuitos integrados accionan los LED en secuencia según la intensidad de la señal de entrada, girando en una matriz de 40 LED con un efecto bastante interesante. La señal de audio se aplica desde la salida de cualquier amplificador.




