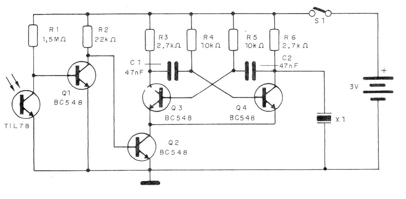
Este circuito, encontrado en una publicación de 1993, acciona un transductor piezoeléctrico emitiendo sonido cuando la luz incide en el sensor. La alimentación se realiza con pilas o batería y en la condición de espera el consumo es muy bajo. Se puede utilizar cualquier foto-transistor y su posicionamiento debe ser tal que reciba la luz del sol al amanecer.




