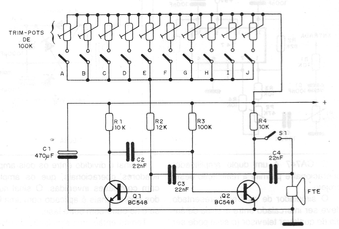
Este simple órgano electrónico monofónico de varias octavas fue encontrado en una publicación de 1987. Alimentado por pilas, excita directamente un pequeño altavoz o transductor piezoeléctrico. El ajuste de cada tecla es independiente a través de trimpots. El circuito puede ser alimentado por tensiones de 6 a 9 V.




