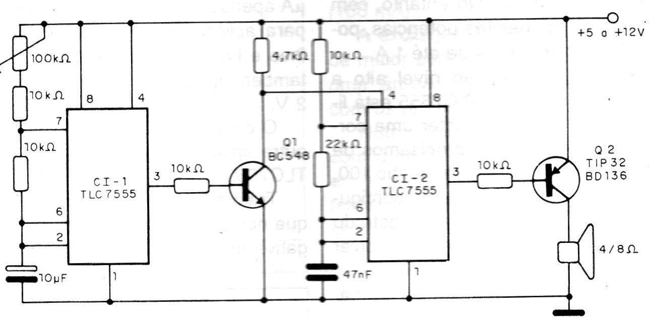
El circuito de la figura es un generador de tono modulado, con el efecto de bips intervalados. La frecuencia de los bips es dada por los resistores de 10 k ohms, P1 y por el capacitor electrolítico de 10 uF, pudiendo ser alterados según el efecto que el lector desee. En este circuito, la carga, un pequeño altavoz, es excitada por un transistor, sin embargo, podemos tener la excitación directa de un transductor cerámico, según lo sugerido en los proyectos anteriores. Observe que los resistores R1 y R2 del oscilador lento determinar los intervalos y la duración de los bips. Para la versión indicada, como los bips son de corta duración, el consumo de energía es muy bajo, incluso cuando excitamos un pequeño altavoz. La modulación del circuito anterior se realiza de modo que haya la interrupción del sonido, lo que caracteriza el bip.




