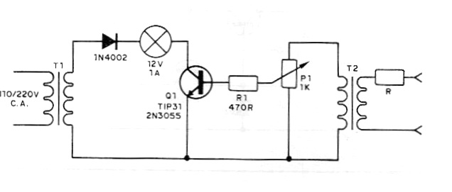
Este circuito hace una lámpara de 12 V (250 mA a 1 A) parpadeando al mismo ritmo de la señal de audio aplicada a la entrada (R). El valor de R depende de la potencia del amplificador, quedando entre 22 ohms y 470 ohms para potencias entre 5 y 100 Wrms. Conectado directamente a la batería o fuente de 12 V, el circuito dispensa el diodo y T1. T2 es un transformador con primario de 110 V conectado a P1 y secundario de 5 a 12 V con 100 a 500 mA. El circuito se conecta en paralelo con los altavoces del sistema y P1 controla el punto de funcionamiento de acuerdo con el volumen.




