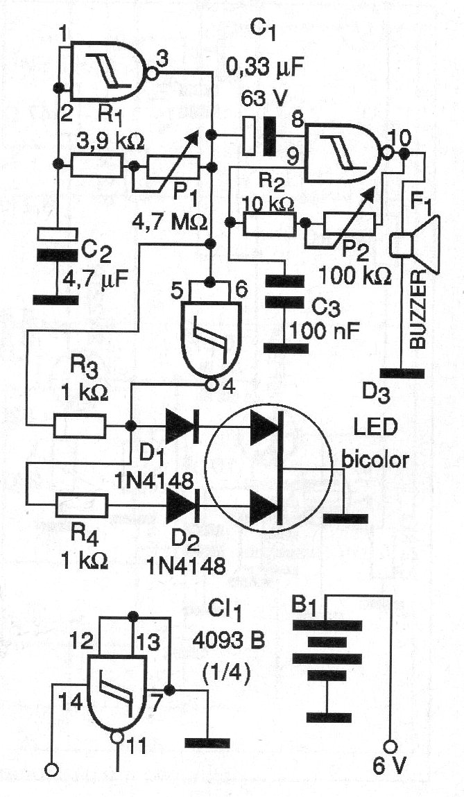
Este simple circuito produce efectos de sonido dados por los osciladores del 4093 y también acciona LEDs de modo alterna. El circuito puede ser alimentado por tensiones de 5 a 12 V y el transductor es una cápsula del tipo cerámico de alta impedancia.




