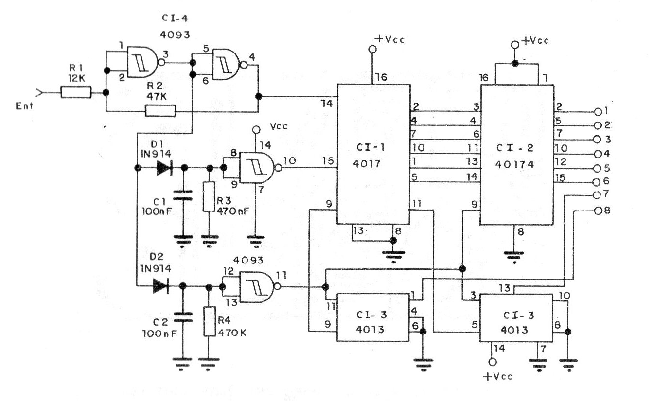
Este circuito puede funcionar en un sistema de control remoto por cualquier medio con el codificador del circuito anterior (CIR13479). El circuito lleva una salida al nivel alto dependiendo del número de pulsos que recibe en su entrada. La alimentación puede quedar entre 5 y 12 V típicamente lo que posibilita su funcionamiento como shield.




