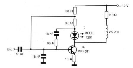
Este circuito sugerido por Motorola puede ser utilizado como modulador de alta frecuencia para LEDs. Una de las aplicaciones posibles es en circuitos que involucran la transmisión de datos por fibra óptica. El emisor es un LED infrarrojo con características mecánicas para acoplamiento directo en fibra óptica. En la transmisión de datos digitales con este circuito se puede llegar a velocidades de hasta 200 Mbaud (NRZ).




