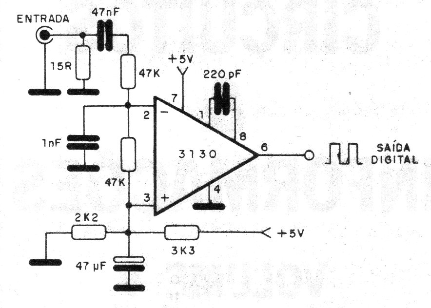
Este circuito está intercalado entre la salida de auriculares de una grabadora de casete y la entrada de una microcomputadora para la recuperación de señales grabadas en cinta (programas). La existencia de un filtro RC en la entrada ayuda en la eliminación de ruidos y zumbidos de la red, proporcionando una excelente recuperación para la señal. No es necesario utilizar una fuente simétrica.




