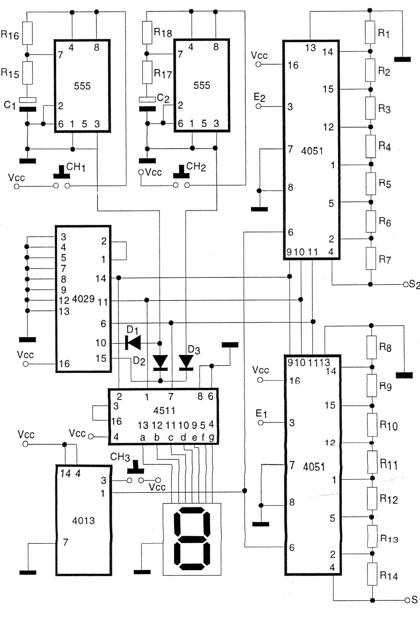
Este circuito de 1998 controla el volumen en un sistema de sonido estéreo a través de toques en interruptores. El circuito es para señales de poca intensidad. Los resistores de R1 a R14 y R17 son de 2k2. Los resistores de R16 a R18 son de 10 k. los diodos son 1N4148 y los capacitores de 100 uF. El circuito es alimentado por tensiones de 5 a 12 V.




