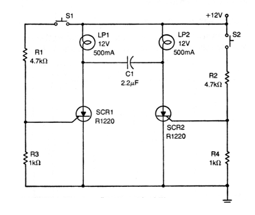
Esta configuración tradicional de flip-flop con SCR es de una publicación americana de los años 70. Los SCRs pueden ser los TIC106 y el capacitor debe ser del tipo despolarizado. La corriente máxima depende de los SCR y sólo se deben controlar lámparas incandescentes. A cada pulso en S2 el SCR cambia de estado.




