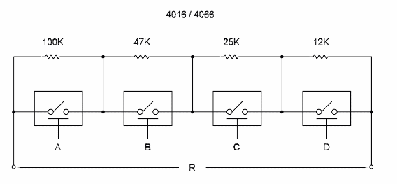
La resistencia presentada entre los terminales R de este circuito depende de la programación digital hecha en las entradas de A hasta D. El circuito, en este caso, funciona como un resistor variable de 0 a 200k. Otros valores de resistores pueden ser utilizados para barrer otro rango de resistencias, siempre que mantenga las mismas relaciones de valores. En la resistencia mínima, dada las características del circuito integrado no tenemos 0 ohms, pero aproximadamente 150 ohms en el caso del 4066 y un poco más para el 4016. El circuito funciona como un potenciómetro con resolución de 4 bits. Dos circuitos similares, con aumento de las resistencias para el segundo, pueden resultar en un potenciómetro con resolución de 8 bits.




