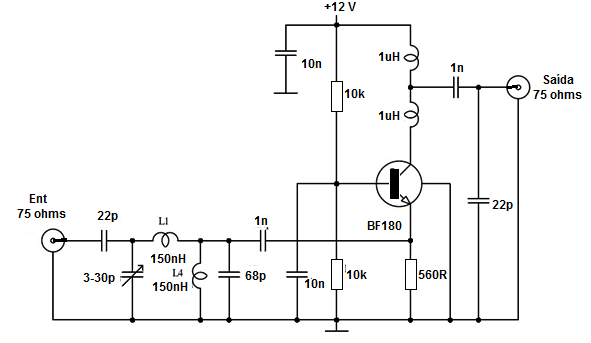
Este circuito, ideal para quienes tienen problemas de señal en el rango de UHF, principalmente en la recepción de TV digital, tiene una ganancia de 15 dB. El transistor admite equivalente de buena ganancia con ft por encima de 1 GHz y un cuidado especial debe ser tomado con el diseño de la placa y blindajes. Los choques de 150 nH están formados por una espira de hilo 26 con un diámetro de 0,5 cm aproximadamente. Los condensadores deben ser todos cerámicos y los conectores apropiados deben ser utilizados. La alimentación es de baja corriente, unos 20 mA son suficientes, y no es necesario tener regulación. L1 y L4 están formadas por 3 espiras de hilo 28 en forma de 0,5 cm sin núcleo. Los pequeños cambios en las bobinas pueden ser necesarios para obtener el mejor rendimiento.




