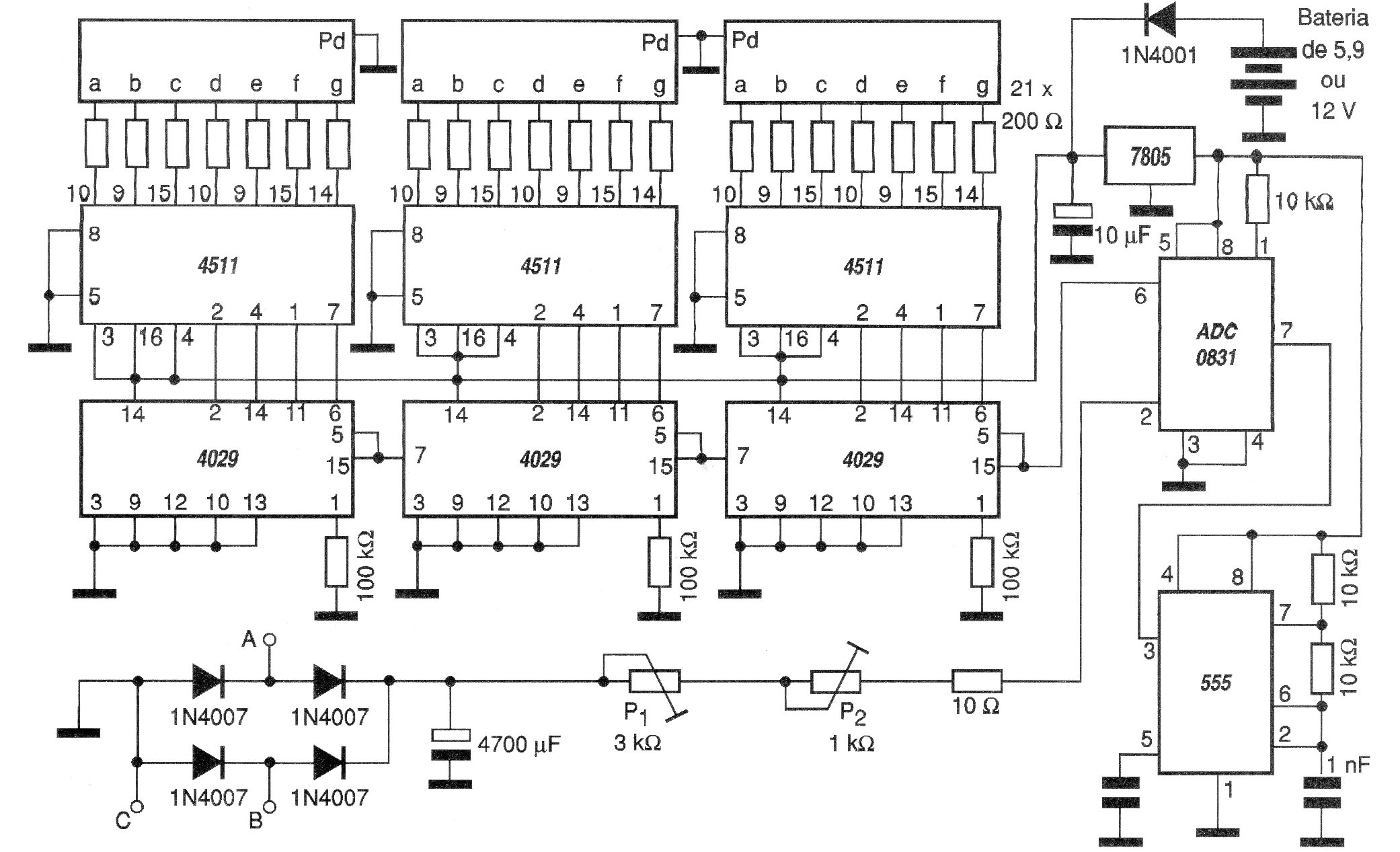
Para utilizar el instrumento en la medida de CA las puntas son las A y B. Para CC utilice las puntas A o B para positivo y C para la negativa. Este circuito puede leer tensiones de 0 a 155 V como máximo. Para ajustar el voltímetro, tome una batería de 9 V y conecte sus terminales en los puntos A y B moviendo los trimpots T1 y T2 hasta leer el valor 009. Precaución a la hora de hacer el ajuste del circuito, pues antes de realizar el ajuste los trimpots deben colocarse en los puntos de mayor resistencia. Después, vaya disminuyendo su resistencia hasta obtener el valor indicado. Esto se debe hacer de esta forma, ya que la tensión máxima de entrada del ADC0831 es de 5 V. Una tensión mayor puede dañar este componente. Para fuente se puede utilizar cualquiera que proporcione tensiones de 5 a 15 V o incluso una batería. Un ajuste más preciso puede ser hecho utilizando un regulador 7806 o 7812 pues su salida es mucho más correcta que la obtenida con una batería común. Los displays son de cátodo común. (2006)




