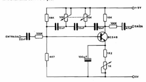
El factor Q mide la selectividad de los circuitos resonantes y también de los receptores. Los receptores con bajo Q mezclan las estaciones de frecuencias cercanas. La finalidad del circuito propuesto es ayudar a separar las estaciones cercanas, evitando así problemas de interferencias en la recepción. Este circuito está intercalado entre la etapa detectora del receptor y la entrada del amplificador y audio. El potenciómetro doble hace el ajuste de su acción en el circuito. El potenciómetro de 1 k ajusta la ganancia del circuito. La alimentación de 9 V puede ser retirada del circuito con el que va a funcionar




