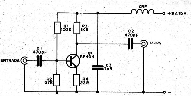
Este circuito amplifica senales de AM y FM, mejorando la recepción de las radios poco sensibles. La bobina de RF se, prepara enrollando de 100 a 150 vueltas de alambre 28 en una varilla de ferrite de unos 2 cm de longitud y 0,6 cm de diámetro. Las conexiones deben ser cortas para evitar Ia producción de oscilaciones.

Reforzador de Señales



