La impedancia de entrada del circuito mostrado en la figura es del orden de 1 M ohms y la impedancia de salida del orden de 1 ohm sólo. El circuito requiere una fuente simétrica que puede operar con señales que van desde 0 (DC) hasta 1 MHz). El amplificador operacional utilizado es en realidad un doble 741.
Convertidor Impedancia (CIR2643S)
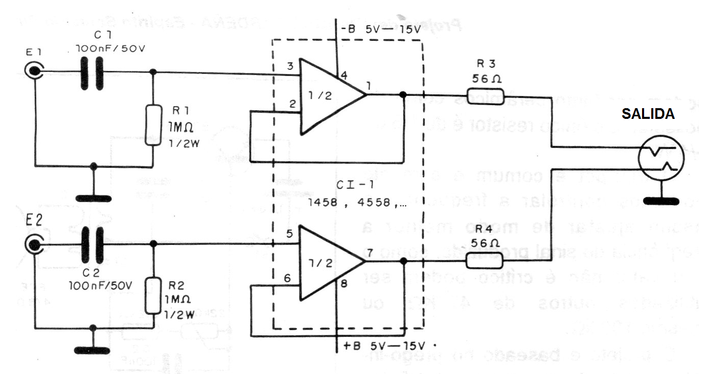
La impedancia de entrada del circuito mostrado en la figura es del orden de 1 M ohms y la impedancia de salida del orden de 1 ohm sólo. El circuito requiere una fuente simétrica que puede operar con señales que van desde 0 (DC) hasta 1 MHz). El amplificador operacional utilizado es en realidad un doble 741.




