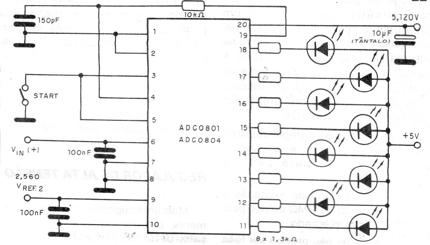
Este circuito fue encontrado en una documentación de Intersil de 1992 consistente en una prueba para los ADc0801 y ADC0802. El circuito acciona LED de acuerdo con el nivel de tensión de entrada, permitiendo así una verificación del funcionamiento del componente. La alimentación debe realizarse con tensiones de 5 a 12 V.




