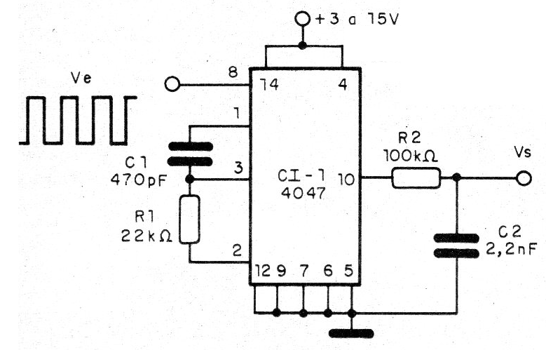
Este es un convertidor de tensión en frecuencia o D / A simplificado, pudiendo ser usado en instrumentación. El rango de tensiones de salida va de 0 a la alimentación. Las señales de entrada deben ser compatibles con CMOS. El circuito C1 y R1 depende del rango de frecuencia de entrada.




