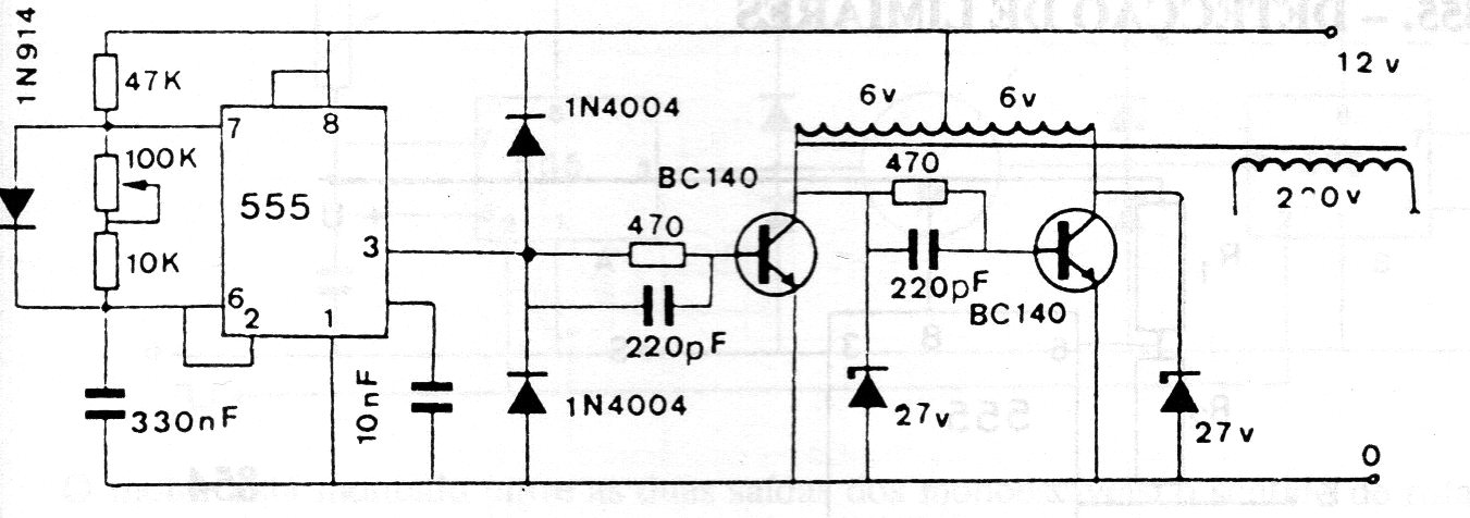
La potencia de este convertidor no es de las mayores, pudiendo sólo alimentar pequeñas lámparas fluorescentes, afeitadoras, etc. El transformador tiene un primario de 220 V o 110 V y secundario de 6 + 6 V con corriente de alrededor de 500 mA. Los transistores deben estar dotados de disipadores de calor. Los transistores pueden ser equivalentes modernos como el TIP31.




