Un circuito integrado bastante interesante para proyectos de convertidores escalonados (reductores de tensión) con una capacidad de corriente de salida hasta 2 A es el LT3481 de Linear Technology (www.linear.com). Este componente tiene un rango de tensiones de entrada de 3,6 V a 34 V con un máximo de 36 V y una frecuencia de conmutación de 2,8 MHz. En la operación en modo burst el ripple con 50 uA Iq, 12 V de entrada y 3,3 V de salida. Este límite en estas condiciones, es menor que 15 mV. El diodo de impulso se integra y la tensión de referencia de retroalimentación es de 1,265 V. El dispositivo puede proporcionar tensiones de salida de 1,265 V a 20 V y tiene características de arranque suave. La llave de potencia incluida en el chip tiene un resistor de sólo 0,18 ohms lo que lleva al dispositivo a alcanzar altas eficiencias, por encima del 80% con la carga máxima. En la figura 1 tenemos un circuito de aplicación para una entrada de 6,3 V a 34 V y una salida de 5 V.

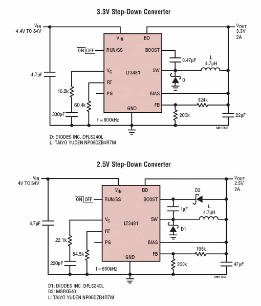
Para salidas de 3,3 V y 2,5 V con entradas en el rango de 4 a 34 V tenemos los dos circuitos mostrados en la figura 5. En todos los casos, tenemos recursos de shutdown que reducen el consumo a menos de 1 uA. El dispositivo se suministra en envoltura MSOP de 10 pines y también DFN.




