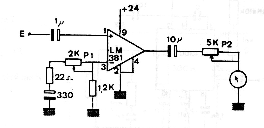
El circuito integrado utilizado en esta configuración no es muy común actualmente. Sin embargo, se pueden utilizar operativos más modernos, incluso con la reducción de la tensión de alimentación. El circuito es de una documentación de los años 70 y el instrumento es un microamperímetro de 0 a 100 uA.




