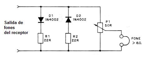
Los picos de ruidos como chasquidos, desagradables en el uso de auriculares, principalmente en receptores de radio, pueden ser limitados, de modo que no sea perjudicial la audición. El circuito mostrado es un limitador y su acción puede ser modificada por el cambio de los valores de R1 y R2. El circuito está indicado para auriculares de baja impedancia. Para los auriculares de alta impedancia los valores de R1 y R2 deben ser aumentados, así como P1. P1 funciona como control de volumen.




