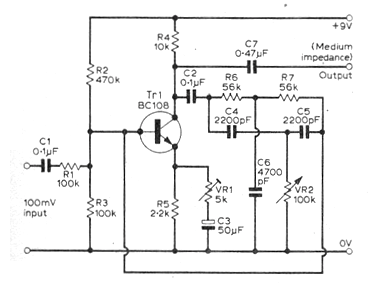
Este circuito salió en una revista inglesa de 1973. El proyecto es actual ya que basta con cambiar el BC108 por un BC548 para viabilizar su montaje. La alimentación se realiza por batería de 9 V (bajo consumo). El circuito se intercalará entre la guitarra o el preamplificador y la entrada del amplificador principal. Los ajustes se realizan en PVR1 y VR2 que se pueden acoplar a pedales. Los cables de entrada y salida de señales deben ser blindados.




