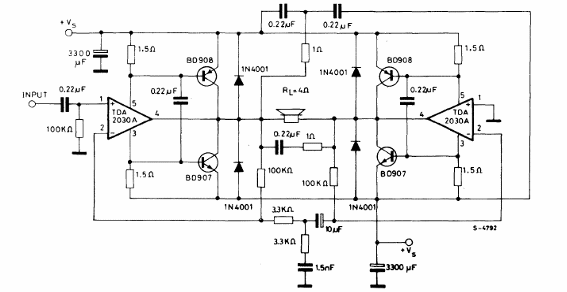
Con una alimentación simétrica de 20 + 20 V, este amplificador proporciona una potencia de salida de 120 W. El circuito utiliza transistores controladores en la salida que se pueden sustituir por equivalentes. El circuito es del manual de circuitos integrados lineales de la SGS.




