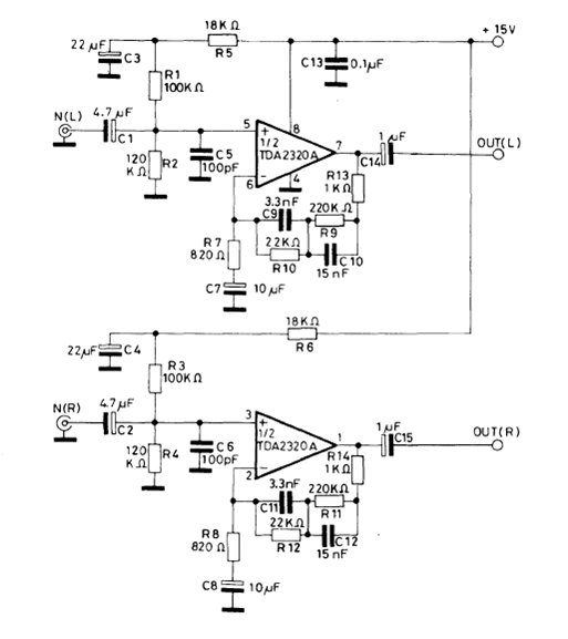
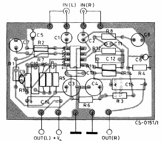
Este preamplificador estéreo de excelente calidad fue encontrado en el manual de circuitos integrados lineales de la SGS de 1982. El circuito debe ser alimentado por fuente de 15 V. La placa de circuito impreso se da junto al diagrama.


Este preamplificador estéreo de excelente calidad fue encontrado en el manual de circuitos integrados lineales de la SGS de 1982. El circuito debe ser alimentado por fuente de 15 V. La placa de circuito impreso se da junto al diagrama.

