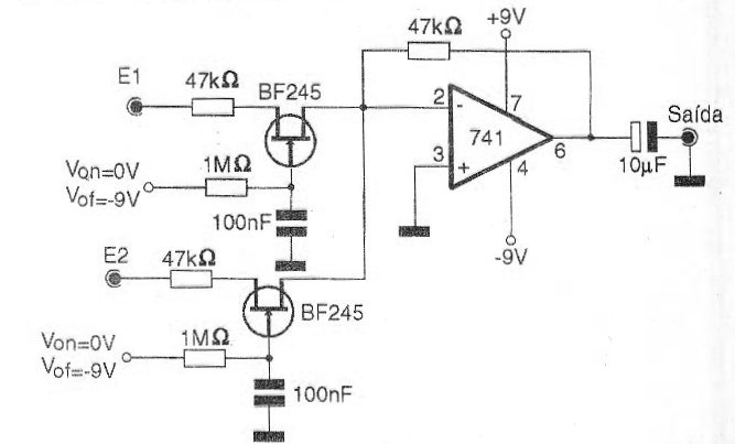
Este circuito puede servir de base para un mezclador digital o simplemente para un conmutador sin ruido de entradas de audio en una mesa de sonido, mezclador o incluso en una estación de radio experimental. La conmutación de las fuentes de audio en el circuito de la figura es hecha por la aplicación de tensión continua en las comportas de los transistores de efecto de campo. Los transistores conducen o no conducen las señales de audio, según el caso, aplicándolos al amplificador operacional de ganancia unitario. Observe que la fuente de alimentación debe ser simétrica y que es la resistencia de 47 k ohms entre la salida y la entrada inversora (pinos 6 y 2) que determina la ganancia del circuito. Este resistor se puede cambiar según la aplicación. Evidentemente se pueden experimentar otros amplificadores operativos y otros transistores de efecto de campo. Un punto interesante de este montaje es que los transistores pueden ser conectados de cualquier forma en relación a los terminales de drenaje y fuente, pues la corriente circula en los dos sentidos en la conducción. Para un mezclador digital, por ejemplo, se aplica en las entradas de conmutación las señales complementarias de un oscilador digital que debe operar en una frecuencia mayor que la del corte de audio.




