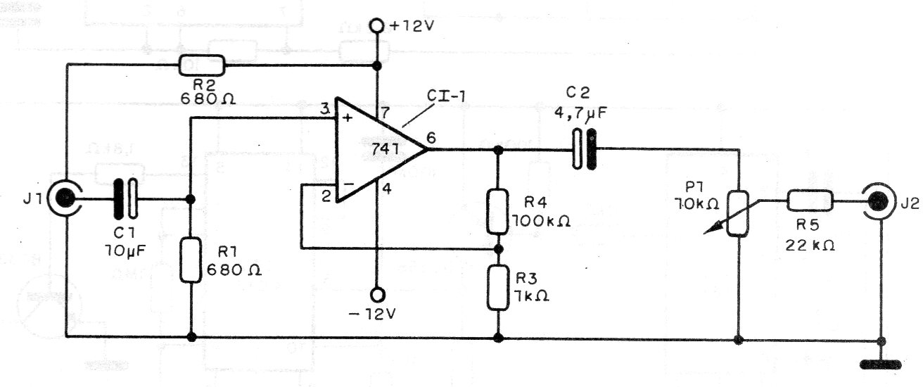
Este circuito es de una documentación de 1995. En el original la fuente es simétrica de 12 V, pero el circuito también funciona con dos baterías de 6 o 9 V, pues el consumo es muy bajo. R4 determina la ganancia que puede cambiar. El circuito requiere cables blindados para las señales.




