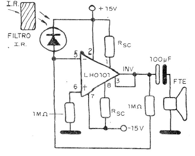
Este circuito fue encontrado en una documentación de 1992. Utiliza un foto-diodo como receptor y un circuito integrado no más común en nuestros días. El circuito recibe señales de audio que modulan infrarrojos y reproduce un altavoz.
En la figura tenemos la forma de asociar flip-flops en un registro de desplazamiento para obtener una...
La resistencia presentada entre los terminales R de este circuito depende de la programación...
El sentido de rotación del motor M puede ser controlado por un Arduino u otro microcontrolador a través de este...