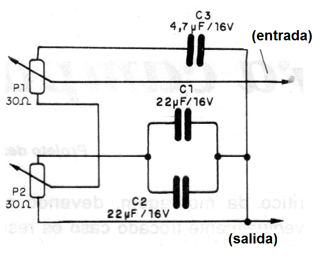
En la aplicación original de 1992, este circuito pasivo fue indicado para ser usado en el coche. En aquella época los amplificadores de coche tenían como máximo 5 W de salida y potenciómetros de hilo conseguían operar con estas señales. Actualmente las potencias son mayores y este tipo de circuito ya no se aplica.




