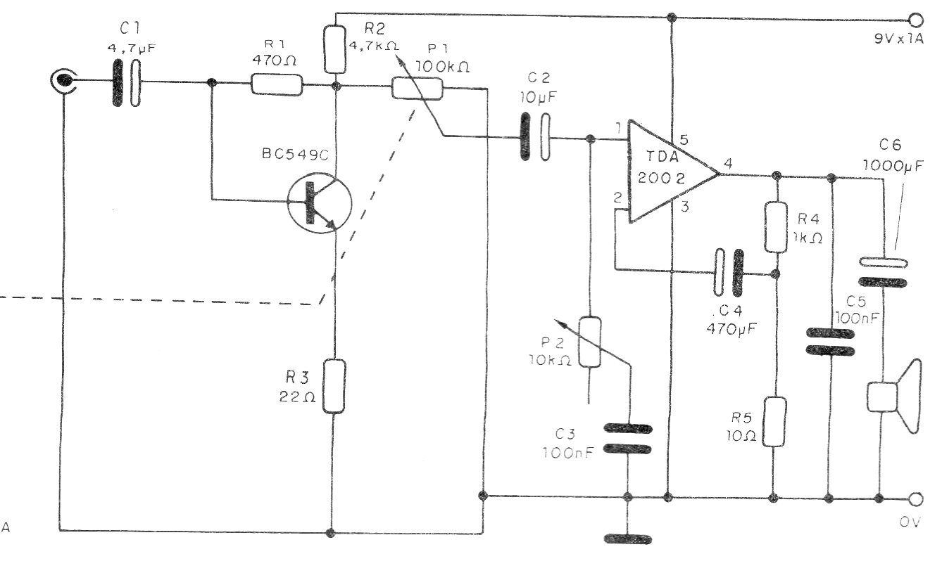
Originalmente en la publicación de 1992 este amplificador fue indicado para ser utilizado con tocadiscos. Sin embargo, en una aplicación moderna se puede utilizar con instrumentos musicales o incluso como caja de sonido multimedia para ordenadores. El circuito debe ser alimentado por fuente con transformador de 9 + 9 V con 1 A. El circuito integrado debe estar dotado de un disipador de calor. P1 se une al interruptor de fuente.




