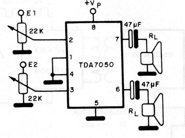
Este amplificador puede ser alimentado con tensiones entre 2 y 5 V con una potencia de hasta 100 mW. La impedancia mínima de carga es de 16 ohmios (en cuyo caso se obtiene poco más de 1000 mW con 4 V) y la máxima recomendada es de 64 ohmios (cuando se obtiene 20 mW con alimentación de 3 V). Podemos utilizar este amplificador estéreo en la salida de receptores miniatura, amplificadores para auriculares o walkman. El TDA7050 se obtiene en el encapsulado DIL de 8 pinos fabricado por Philips Componentes.




