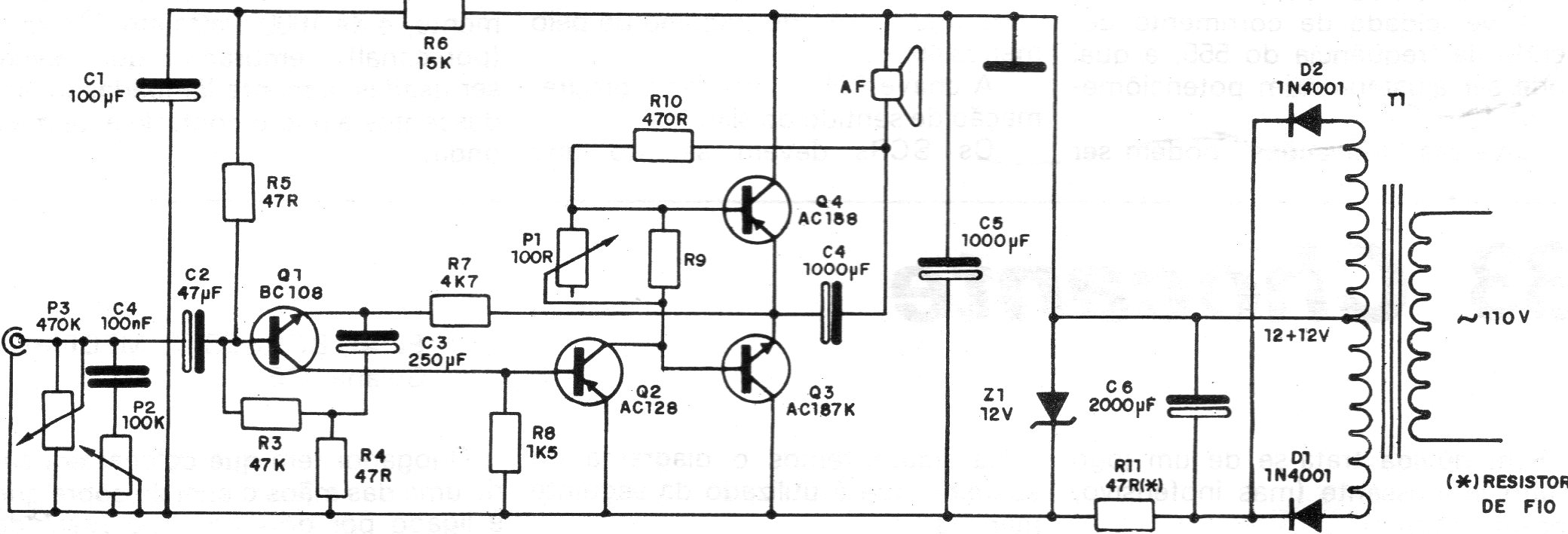
Este amplificador de una documentación de 1987 utiliza antiguos transistores de potencia de germanio que todavía se pueden encontrar en algunos proveedores. El circuito proporciona una potencia de algunos vatios a un altavoz de buena calidad. El circuito incluye un control de volumen no convencional y un control simple de tono. El transformador debe tener una corriente de 800 mA a 1 A.




