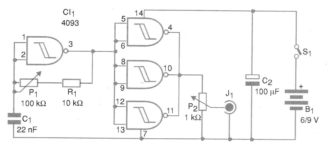
El circuito, mostrado en la figura, consiste en un oscilador de audio que genera señales entre 100 Hz y 1 kHz aproximadamente con los valores de los componentes seleccionados. El condensador C1 determina este rango de frecuencias. Para una aplicación más sofisticada se puede utilizar una llave selectora que coloque en el circuito capacitores de 2,2 nF a 220 nF en tres bandas de frecuencias. La señal es rectangular y su amplitud se controla en P2. Esta amplitud variará entre 0 V y la tensión utilizada en la alimentación del circuito.




