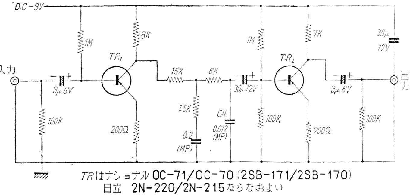
El circuito presentado utiliza dos transistores antiguos de germanio. Encontramos esta configuración en una documentación japonesa de los años 60. La alimentación se realiza con una tensión de 9 V y la ganancia es elevada exigiendo cuidados con los blindajes de los cables de señal para que los ronquidos sean evitados.




