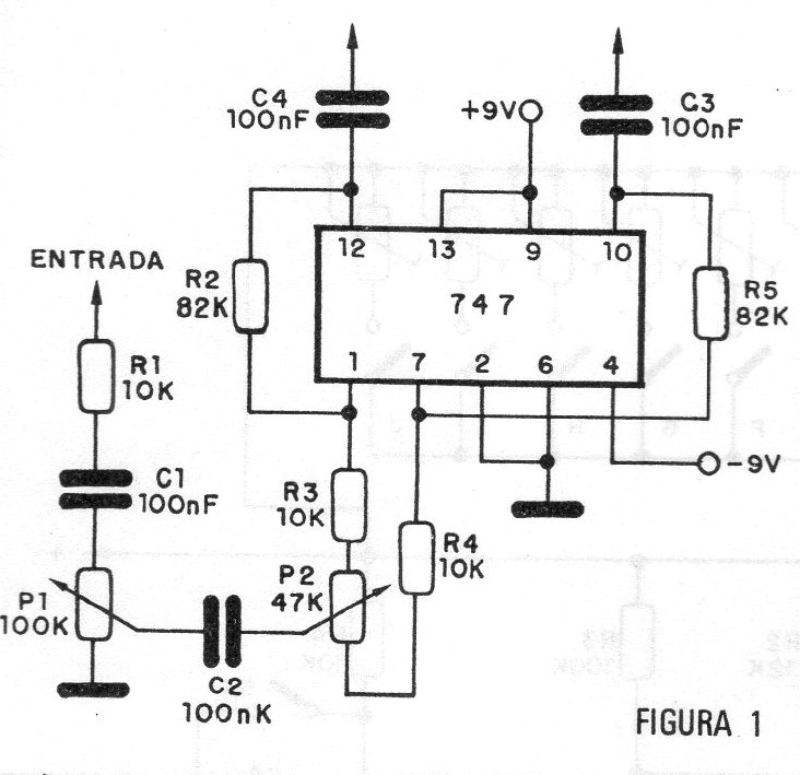
Este circuito es de 1987 cuando sólo existían los televisores analógicos y el sonido estéreo todavía era una novedad para este tipo de aparato. El circuito hace uso de un amplificador operacional cuyas salidas deben ser aplicadas a un amplificador estéreo. La entrada se toma del control de volumen del televisor analógico. La fuente de alimentación debe ser simétrica.




