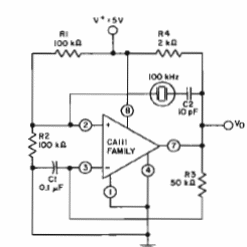
Hemos obtenido esta configuración de un antiguo manual de RCA de circuitos integrados lineales. El circuito integrado puede ser cualquiera de la familia de CA y la frecuencia es determinada por el cristal. El circuito tiene salida compatible con la lógica TTL y CMOS.




