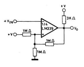
Este circuito se encuentra en muchos manuales de los fabricantes del LM339. Este es el manual de circuitos integrados de la SGS. No requiere una fuente simétrica. Observe el uso del resistor de pull-up, pues la salida es en colector abierto.

Este circuito se encuentra en muchos manuales de los fabricantes del LM339. Este es el manual de circuitos integrados de la SGS. No requiere una fuente simétrica. Observe el uso del resistor de pull-up, pues la salida es en colector abierto.
