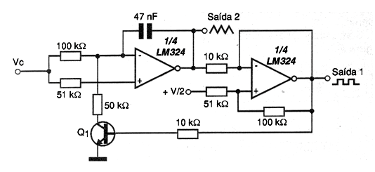
El circuito mostrado en la figura utiliza dos de los cuatro amplificadores operacionales encontrados en el circuito integrado LM324. La mayoría de los amplificadores operativos comunes se pueden utilizar en la misma configuración, dependiendo de sus características sólo el límite del rango de frecuencias generadas. La frecuencia central del circuito es dada por el capacitor y el transistor usado puede ser cualquiera de uso general como el BC548. La tensión de control puede variar entre 0 y 50 V típicamente, ya que tenemos valores elevados de resistores en la entrada y un circuito limitador. El circuito tiene dos salidas en las que se obtienen señales triangulares y rectangulares. La fuente de alimentación no necesita ser simétrica, pero se debe observar la necesidad de una tensión de polarización V/2 (mitad de la tensión de alimentación) en la entrada positiva del segundo operacional. Esta tensión se puede obtener con un divisor formado por dos resistencias de 10 k ohms conectados en serie.




