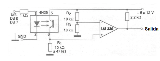
En la figura tenemos una interfaz o shield usando un acoplador óptico y el comparador LM339 o cualquier equivalente. En esta aplicación, los amplificadores operativos también se pueden utilizar. El punto de disparo se puede ajustar en el trimpot de 10 k ohms, sin embargo, nada impide que tengamos un disparo fijo, colocando en este punto un divisor resistivo con dos resistores de 10 k ohmios. Recuerde que los comparadores de la serie LM139 / 239/339 poseen transistores en colector abierto, así que se debe utilizar una resistencia pull-up y la corriente es drenada por la salida cuando va al nivel bajo. La alimentación del sector del comparador puede ser hecha con fuente separada y tensión diferente de 5 V.




