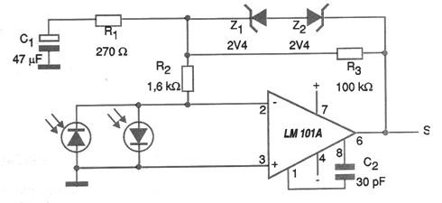
La National Semiconductor sugiere el circuito mostrado en la figura para la amplificación de señales de dos foto-diodos. El circuito es logarítmico, es decir, tiene su ganancia mayor con las pequeñas intensidades de luz incidiendo en los diodos ya medida que la intensidad aumenta la ganancia disminuye saturando cuando los dos diodos zener en oposición conducen, llevando el circuito al ganancia unitario. La fuente de alimentación debe ser simétrica y la mayor ganancia se determina por R3. Este componente puede ser aumentado para obtener mayor ganancia con intensidades menores de luz. Una posibilidad interesante consiste en sustituir R3 por un trimpot para obtener un ajuste de la banda dinámica de operación del circuito. R1 también influye en la ganancia del circuito. El capacitor C2 hace la compensación de frecuencia y los foto-diodos dependen de la aplicación, recordando que estos componentes poseen una buena respuesta de frecuencia para las señales moduladas. Otros amplificadores operativos de las mismas características pueden ser experimentados en esta configuración.




