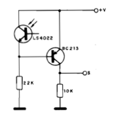
Este circuito amplifica la señal de un foto-transistor posibilitando su aplicación en una entrada de microcontrolador. La presencia de luz en el sensor hace que la salida vaya al nivel bajo. El transistor puede ser sustituido por equivalentes como el BC558. La tensión de alimentación puede oscilar entre 5 y 15 V. Foto-transistores equivalentes se pueden utilizar.




