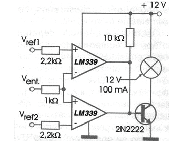
Una configuración de gran utilidad en las aplicaciones que involucran el monitoreo de funciones es el comparador de límite. En el circuito mostrado en la figura, la lámpara se enciende cuando la tensión de entrada es mayor o menor que las dos referencias aplicadas a los comparadores. Una aplicación importante de este circuito es como aviso de sub/sobre tensión en el monitoreo de fuentes. Si la señal de entrada procede de sensores como, por ejemplo, la temperatura, el circuito detectará sub/sobre temperaturas. La lámpara puede ser sustituida por un relé para desactivar o activar un circuito externo en caso de necesidad. De la misma forma la lámpara puede ser sustituida por LEDs.




