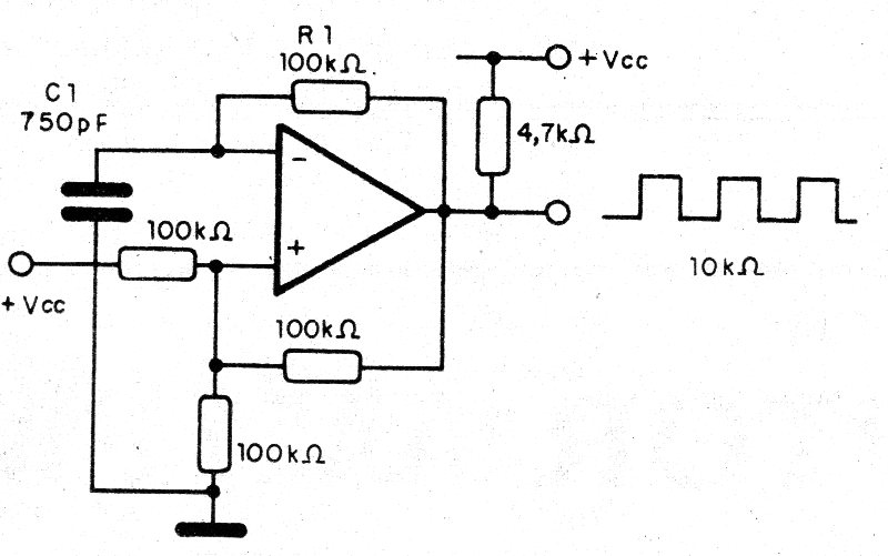
Este oscilador utiliza cualquier comparador de tensión como los de la serie 139/239/339, generando señales rectangulares hasta algunas decenas de quilohertz. La alimentación se puede realizar con tensiones de 3 a 12 V.
Este circuito produce el sonido de las sirenas de los vehículos de policía estadounidenses. El circuito tiene...
Cuando uno de los sensores está abierto, el microalarme emite un sonido que depende de R2 y del...
Muchos animales pueden ser trinados con facilidad para atender el llamado de ciertos sonidos como,...