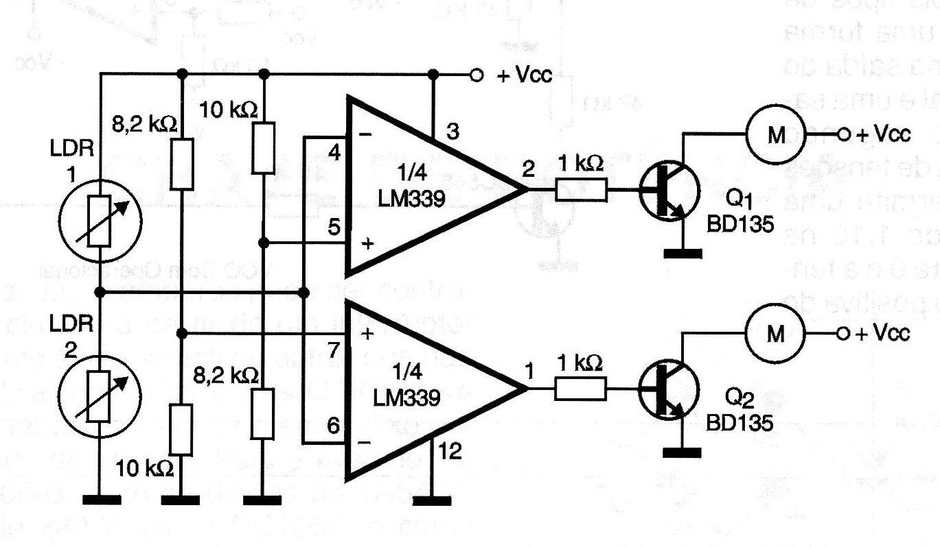
Este circuito puede ser utilizado en proyectos de inteligencia artificial equipando robots capaces de tomar decisiones en función de niveles de luz sobre sensores. El circuito proporciona salidas para dos motores que dependen de los niveles de iluminación de los dos sensores (LDR). El circuito funciona de tal forma que podemos tener las siguientes situaciones: un motor accionado, otro motor accionado, los dos motores accionados. El circuito no es más que un comparador de ventana donde las referencias son dadas por los cuatro resistores de entrada. Los cambios en estas resistencias permiten cambiar el comportamiento inteligente del circuito de acuerdo con la aplicación. Otros tipos de sensores resistivos se pueden emplear en lugar de los LDR. La tensión de alimentación debe estar entre 6 y 12 V y para los transistores indicados los motores pueden tener hasta 500 mA.




